ea.png ea-ph.png

milan.米兰中国EA63协作机器人

高性价比,高可靠性,高易用性,高灵活度

EA63
  • 亮点
  • 参数
  • 图纸
  • 控制箱/示教器/示教软件
  • 相关资源
  • 相关产品

EA63

  • b3icon1-594.svg
    624mm

    工作半径

  • b3icon2-752.svg
    3kg

    负载

  • b3icon3.svg
    ±0.03mm

    重复定位精度

  • b3icon4.svg
    13Kg

    自重

产品参数

  • 技术参数
  • 关节参数
  • 物理参数
  • 配件型号
    • 名称参数
      自由度6
      负载3kg
      工作半径624mm
      重复定位精度±0.03mm
      典型功耗185W
      安装方式任意角度
      工具I/O2xDI  2xDO 1xAI  1xAO
      工具I/O供电24V/2A
      工具通信RS485

    • 关节运动范围关节最大速度
      基座±360°190°/s
      肩部±360°190°/s
      肘部±360°190°/s
      手腕1±360°260°/s
      手腕2±360°260°/s
      手腕3±360°260°/s
      最大工具速度2.0m/s2.0m/s
    • 名称参数
      自重13kg
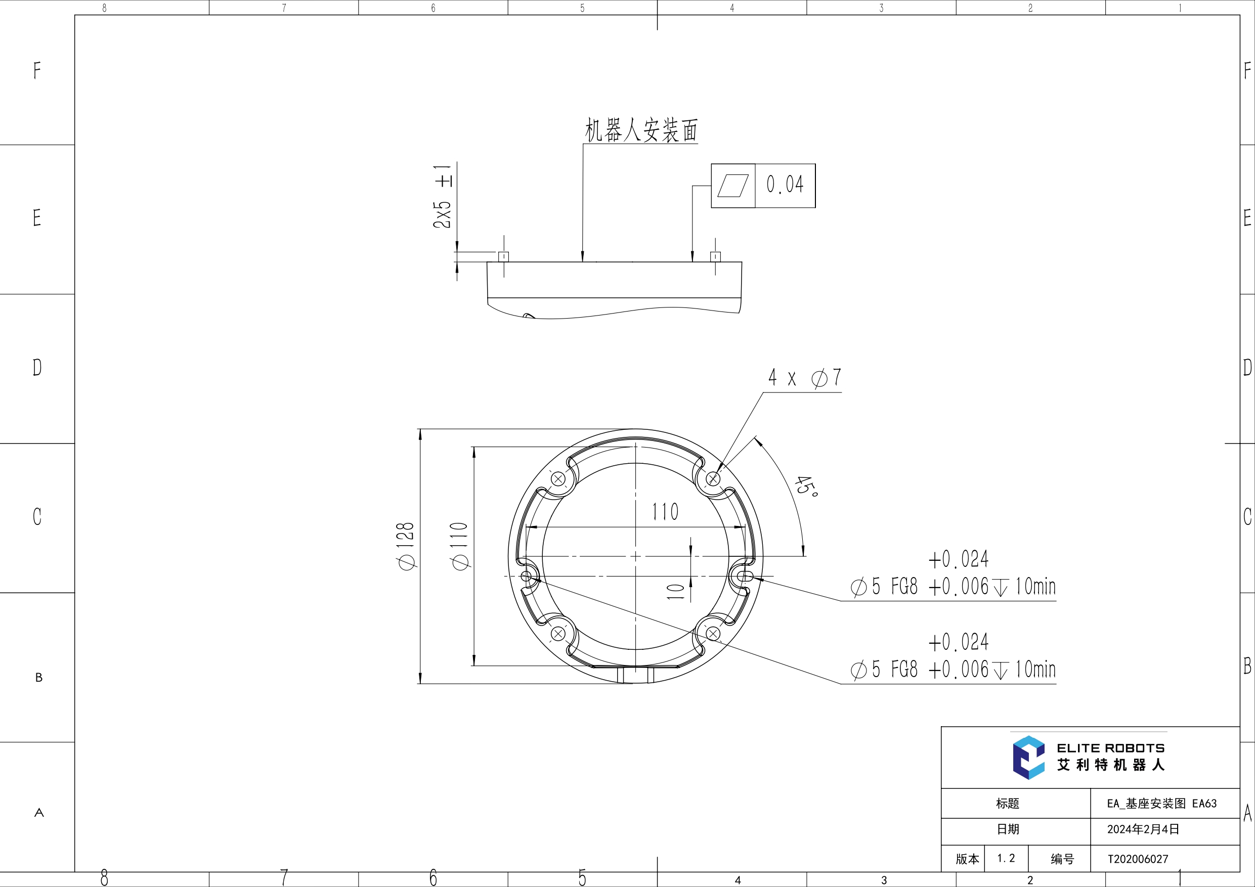
      底座直径Φ128mm
      IP防护等级IP54
      工作环境温度-10℃ ~ 50℃
      工作环境湿度90%相对湿度(非冷凝)
      材料铝合金、钢、塑料、橡胶
      标准线缆长度5.5m
    • 名称参数
      控制箱ERB3E300
      MINI控制箱(选配)ERB1E2K0ME-48
      示教器(选配)ERP300
      示教软件基于浏览器的图形化示教软件E-Wireless,可适用于手机、平板、电脑
EA63.png

产品图纸

  • 外形尺寸图
  • 工作范围图
  • 基座俯视图
  • 控制箱

    ERB2E2K0-220/110 / ERB2E2K0-48/24 (标配)
    ERB1E2K0E-48 (选配)

    b1_img15.png
  • 示教器/示教软件

    示教器/示教软件

    b1_img16.png
download-669.svg comicon14.svg

电话咨询

download-397.svg comicon15.svg

免费试用

Vector.svg Frame.svg

微信小程序

img1.jpg

微信小程序

准备好突破增长瓶颈,开启智能制造了吗?
了解我们的机器人如何帮助您的业务增长
欢迎下载milan.米兰中国机器人资料

我已阅读并同意milan.米兰中国《隐私政策》《法律声明》

我已知晓并同意milan.米兰中国通过电子邮件发送相关资料

提交