CS66-Ex
-
亮点
-
参数
-
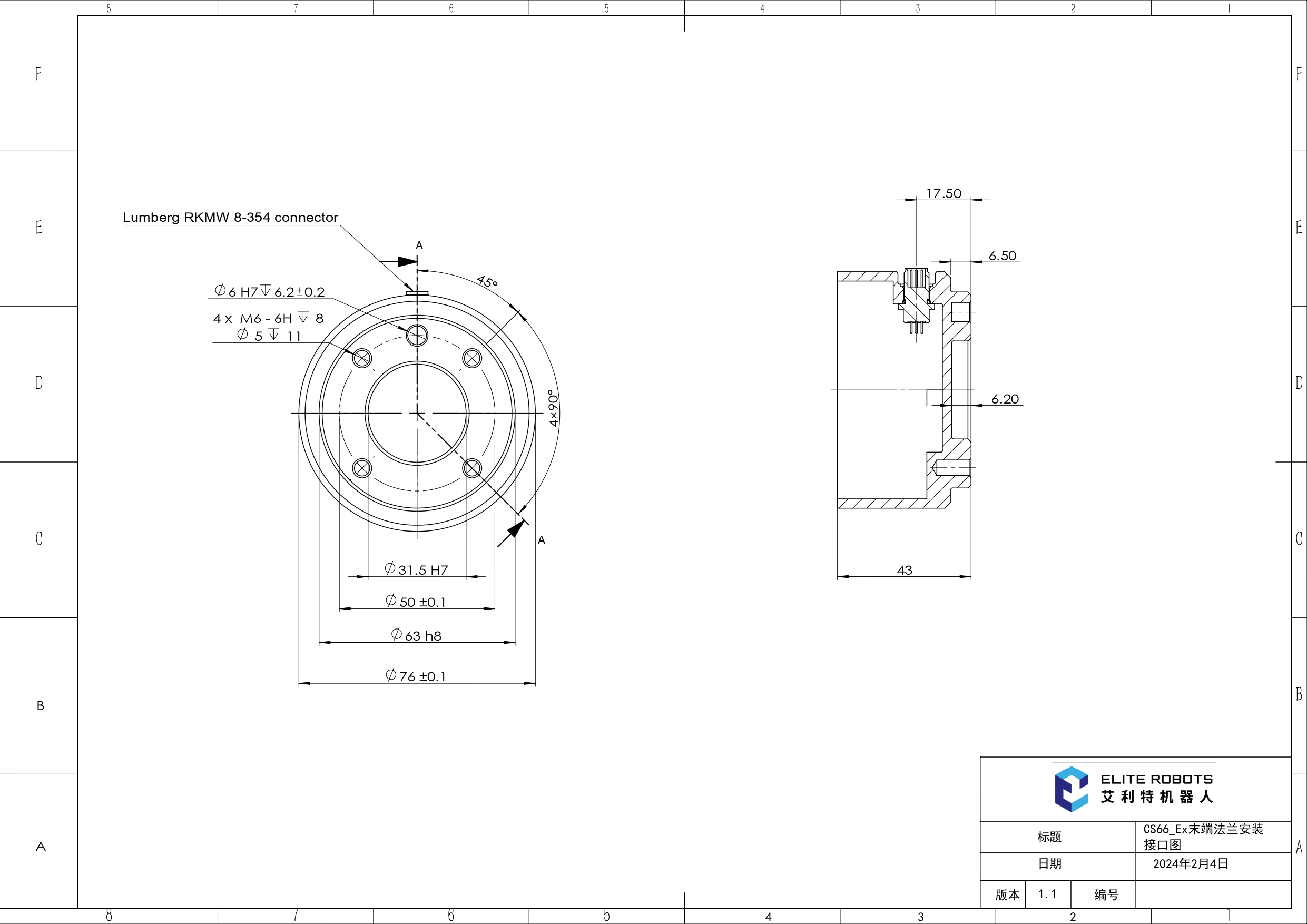
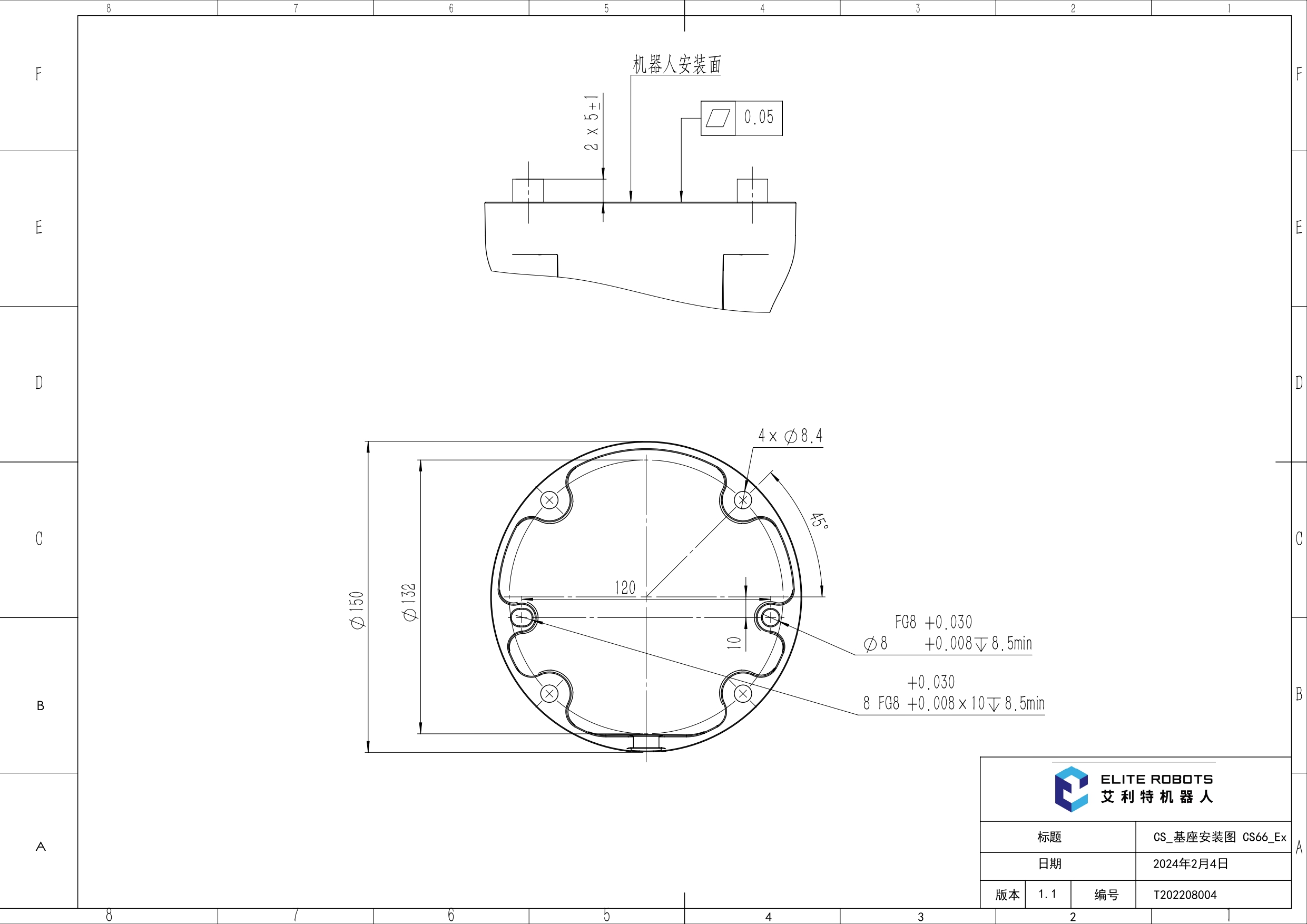
图纸
-
控制箱/示教器/示教软件
-
相关资源
-
相关产品
产品参数
-
技术参数
-
关节参数
-
物理参数及认证
-
配件型号
-
名称 参数 自由度 6 负载 6kg 工作半径 914mm 重复定位精度 ±0.02mm 典型功耗 320W 安装方式 任意角度
-
关节运动范围 关节最大速度 基座 ±360° 150°/s 肩部 ±360° 150°/s 肘部 ±360° 180°/s 腕部1 ±360° 230°/s 腕部2 ±360° 230°/s 腕部3 ±360° 230°/s 最大工具速度 2.8m/s 2.8m/s
-
名称 参数 自重 20kg 底座直径 Φ150mm IP防护等级 IP68 工作环境温度 -10℃ ~ 50℃ 工作环境湿度 90%相对湿度(非冷凝) 材料 铝合金、钢、塑料、橡胶 标准线缆长度 5.5m 防爆标志 Ex db eb ib mb pxb IIC T4 Gb, Ex ib mb pxb tb IIIC T130℃ Db
-
名称 参数 控制柜 ERB1C2K0X 示教器 ERP400 全能示教器(选配) ERP400S
